Do not display this message again
Close window
Spread foundation design - EN 1997 - Maple Application Center
联系 Maplesoft
索取报价
产品
Maple
数学软件
• Maple 教育学术版
• Maple 学生版
• Maple Learn 在线虚拟黑板
• Maple 计算器(手机App)
• Maple 专业版
• Maple 个人版
Maple 附加模块
• 电子书和学生手册
• Maple 工具箱
• MapleNET 网络部署应用
• Maple Player 免费阅读器
Math Success Platform
提高存留率
Maple Flow
Engineering calculations & documentation
• Maple Flow
• Maple Flow Migration Assistant
MapleSim
多学科系统级建模仿真
• MapleSim
• MapleSim for Web Converting Systems
• MapleSim 数字孪生
• MapleSim 教学应用
• 附加专业模型库
• MapleSim Insight 虚拟调试和3D可视化
项目服务
• 工程服务
• 培训
• 全承包解决方案
Maple T.A. and Möbius
寻找Maple T.A.或者Möbius?
DigitalEd, 是Maplesoft技术合作伙伴,现在提供这些产品。了解更多…
解决方案
教育
• 数学教育
• 工科教育
• 高中和职业院校
• 学生
• 远程学习资源
行业
汽车与航空航天
• 电动和混动汽车
• 动力总成
• 车辆动力学
• 重型行走机械
• 飞行器系统
• 空间系统
机器人
• 机器人技术研究
• 运动控制/机电一体化
机器设计和工业自动化
• 机器设计
• 制造
• 采矿和采油设备
• 卷料处理
其他
• 电力
• 金融
• 医疗器械
• 生命科学
应用领域
• 电力系统工程
• 电气工程计算
• 机械工程计算
• 系统仿真与分析
• 虚拟调试
• 电池建模与设计
• 传热分析
• 机构动力学分析
• 计算管理
• 硬件在环测试
• 振动分析与减振
购买
产品价格
• Maple
• Maple Flow
• MapleSim
• 附加模块和工具箱
• 索取报价
购买
• 购买 & 下载软件
• 升级到最新版本
• 联系销售
院系/全校正版授权
• 虚拟化
• 学生授权 & 分销选项
Maplesoft精英维护升级计划
• EMP 介绍
• EMP 常见问题
支持与资源
支持
• 技术支持与客服
• 常见问题 FAQ
• 产品文档
• 下载产品升级程序
产品培训
• 学生帮助中心
• 在线培训
• 现场培训
产品在线帮助
• Maple 在线帮助
• MapleSim 在线帮助
研讨会与活动
• 即将举办的研讨会
• 往期研讨会视频
• 即将举办的活动
出版
• 技术白皮书
• Email 时事资讯
• Maple 出版书籍
• Math Matters
资源中心
• 教师资源中心
• 学生帮助中心
• 远程学习资源
示例和应用
• Maple 应用示例中心
• MapleSim 模型库
• 用户案例
• 工科基础课程示范资源
• 基础课程中使用 Maple 教学
社区
• MaplePrimes – 论坛、博客等
• MapleCloud – Maple 云盘
• Maple 用户会议
公司
关于 Maplesoft
• 公司介绍
• 公司管理层
• 客户
• 技术合作和产品贴牌合作
媒体中心
• 媒体中心
• 用户案例
• 媒体报道
用户社区
• MaplePrimes – 论坛、博客等
• Maple 大使计划
• Maple 用户会议
联系我们
• 全球联系方式
• 招聘
Home
产品
Maple
Maple 附加模块
Maple Learn 在线虚拟黑板
Maple 计算器(手机App)
Maple Flow
MapleSim
MapleSim 附加模块
项目服务
在线教育产品
解决方案
教育
行业
应用领域
购买
产品价格
购买
院系/全校正版授权
Maplesoft精英维护升级计划
支持与资源
支持
产品培训
产品在线帮助
研讨会与活动
出版
资源中心
示例和应用
社区
公司
关于 Maplesoft
媒体中心
用户社区
联系我们
Toggle navigation
Sign in
Register
Submit your work
Application Center
Applications
Spread foundation design - EN 1997
Spread foundation design - EN 1997
Author
:
Takashi Iwagaya
0
Download
PDF Preview
This Application runs in Maple Flow.
Don't have Maple Flow? No problem!
Try Maple Flow free for 15 days!
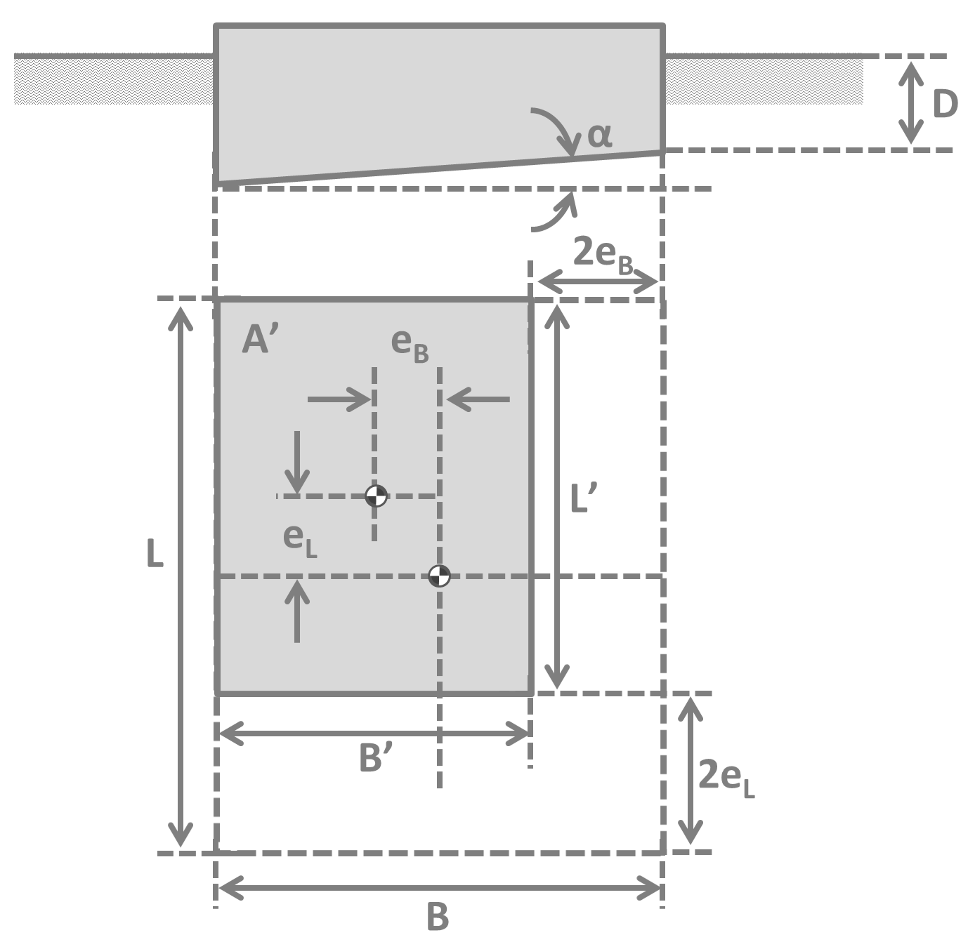
This document shows a design calculation to obtain the width of foundation based on EN 1997 - Eurocode 7. In the calculation, the minimum width of foundation is calculated in order to satisfy ULS with 3 design approaches.
Application Details
Publish Date
:
February 25, 2022
Created In
:
Maple Flow 2021
Language
:
English
Share
Copy URL
Tweet
This application is in the following
Collection
:
Civil Engineering
Add to a Collection
You must be logged in to add to a collection
Tags
civil
civil-engineering
structure
structural-engineering
More Like This
Valve Fundamental 2 - Compressible flow
Takashi Iwagaya
0
mechanicalengineering
thermodynamics
fluid-dynamics
Valve Fundamental 1 - Incompressible flow
Takashi Iwagaya
0
mechanicalengineering
thermodynamics
fluid-dynamics
Induction Motor Analysis for Start-up Protection
Takashi Iwagaya
0
electrical
Power Swing Analysis for Out-Of-Step Protection
Takashi Iwagaya
0
electrical
アナログフィルターのワーストケース解析
Takashi Iwagaya
1
electrical
electrical-engineering
circuit
Loss of Internal flow
Takashi Iwagaya
0
mechanicalengineering
thermodynamics
fluid-dynamics
Worst case analysis for Analog filter
Takashi Iwagaya
0
electrical
electrical-engineering
circuit
worst-case-circuit-analysis
wcca
Sensor interface design with Worst case analysis - Volume 1
Takashi Iwagaya
0
electrical
electrical-engineering
circuit
worst-case-circuit-analysis
wcca
ピラミッドホーン設計
Takashi Iwagaya
0
electrical
electrical-engineering
Sensor interface design with Worst case analysis - Volume 2
Takashi Iwagaya
0
electrical
electrical-engineering
circuit
worst-case-circuit-analysis
wcca
Use Optimization for Worst Case Analysis
Takashi Iwagaya
0
electrical
Worst Case Analysis - Three-Pin Regulator
Takashi Iwagaya
0
electrical
electrical-engineering
circuit
worst-case-circuit-analysis
wcca
×
Create a Collection
Name:
Description (optional):
Collections
×
Collections are user-defined, publicly available groups of applications. Add applications to your own Collections, and share them with other Maple users.