Atwood Machine - Maple Application Center

Atwood Machine

Author
: Dr. Ahmed Baroudy
Engineering software solutions from Maplesoft
This Application runs in Maple. Don't have Maple? No problem!
 Try Maple free for 15 days!
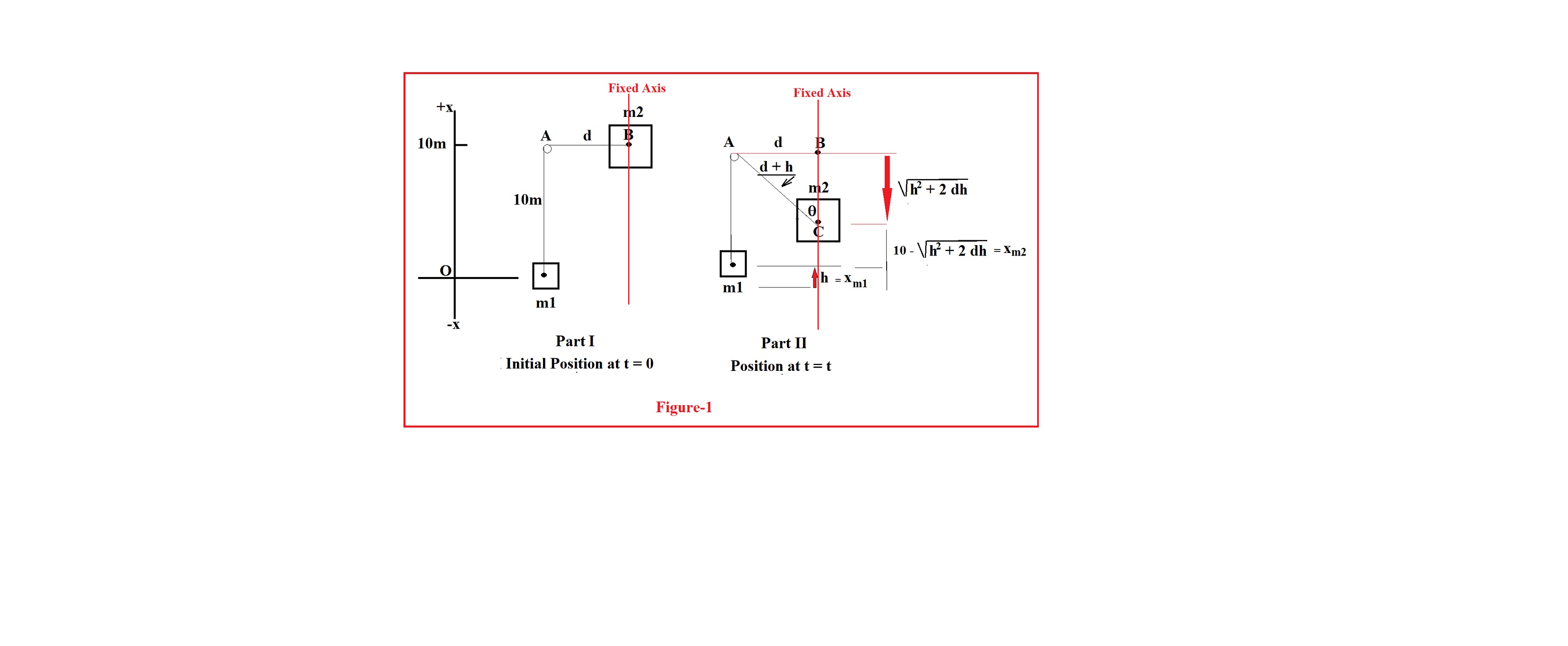
The following is a detailed study of the motion of an unconventional Atwood Machine where one mass is constrained to move along a fixed vertical axis. The differences with the regular Atwood Machine are : 1- the tension T on the string on either side of the pulley though it is the same, however it is not constant in the present case because of the obliquity of the 2d part of the string. 2- the unique and constant acceleration (a) in the simple machine is replaced in here with two different and variable accelerations whose ratio is however constant. 3- In the simple machine the constant acceleration makes plotting and animation of the system a straightforward procedure according to s = (1/2)*at^2.However in the modified Atwood machine that we present in here the accelerations being variable there is no way to get the displacement as a direct function of time. This seems to make plotting & animation an impossible task. However we were able to devise a trick to overcome this difficulty.

Application Details

Publish Date: January 25, 2020
Created In: Maple 16
Language: English

More Like This

Ordinary differential equation with Laplace Transform
Classroom Tips and Techniques: Eigenvalue Problems for ODEs
Classroom Tips and Techniques: The Partial Fraction Decomposition
Classroom Tips and Techniques: Mathematical Thoughts on the Root Locus
Classroom Tips and Techniques: Simultaneous Diagonalization and the Generalized Eigenvalue Problem
Collision detection between toolholder and workpiece on ball nut grinding
車両の最大登坂角