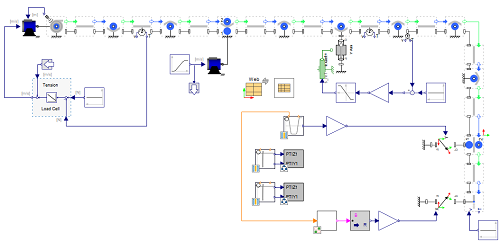
This model demonstrates the dynamic behavior of a web line in a z-Folding battery manufacturing process. It shows the how a fixed web end can be modelled. The model starts with a tension-controlled unwinder and uses a nip roller as master drive. A linear dancer is tension controlled and its task is to compensate tension fluctuations from the z-Folding process. Such a model can be used to analyse the tension behavior based on the motion profiles and to test and optimize the motion profiles.